Elektra valdomi prietaisai sukelia trukdžius. Šie trukdžiai gali palikti prietaisą per jungiamuosius laidus ir, pavyzdžiui, patekti į mūsų (namų) elektros tinklą. Be to, elektra valdomi prietaisai gali skleisti trukdžius elektromagnetinių radijo bangų pavidalu. Abu trukdžių tipai gali sutrikdyti kitų prietaisų veikimą. Pavyzdžiui, įsivaizduokite medicinos įrangą ar automobilių oro pagalves!
Elektrinių prietaisų veikimą gali sutrikdyti išoriniai trukdžiai! Pavyzdžiui, radijo trukdžius gali kelti didelės mašinos! Gerai žinomas pavyzdys yra traškėjimas radijuje, kai tuo pačiu metu įjungiama netoliese esanti elektros įranga! Laidininkais sklindantys trukdžiai gali patekti į prietaisą per bet kurį prijungimo tašką. Šie trukdžiai gali taip sutrikdyti prietaiso veikimą, kad jo nebebus galima naudoti be remonto.
Vokietijoje už mūsų įrenginių veikimo patikimumą atsakingas EMC įstatymas (EMVG16), įgyvendinantis Europos elektromagnetinio suderinamumo direktyvą 2014/30/ES. EMVG16 įstatymas yra viena iš vadinamųjų reiškiniais pagrįstų direktyvų ir reglamentuoja visų gaminių EMC. Standartai apibūdina naujausius standartus ir apibrėžia specifikacijas bei ribines vertes. Skiriami pagrindiniai standartai, konkrečiai pramonei skirti pagrindiniai standartai ir gaminių standartai. Pagrindiniai ir konkrečiai pramonei skirti pagrindiniai standartai yra vadinamieji horizontalūs standartai ir taikomi visiems gaminiams. Nors pagrindiniai standartai (pvz., EN 61000-4-X) apibrėžia matavimo metodus ir bandymų konfigūracijas, konkrečiai pramonei skirti pagrindiniai standartai (pvz., EN 61000-6-X) nustato jų ribines vertes. Gaminių standartai taikomi konkrečiai gaminių grupei.
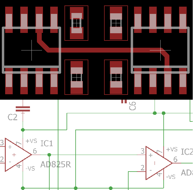
Kaip pasiekti gerų EMC savybių turintį išdėstymą? Visų pirma, didelės varžos įėjimų laidai (paveikslėlyje – jungtis su operacinio stiprintuvo /- įėjimu) turėtų būti kuo trumpesni! Apskritai signalo keliai į įėjimus turėtų būti kuo trumpesni, o signalo keliai iš išėjimų – kuo ilgesni.
Trikdžių slopinimo kondensatorius reikia dėti tiesiai prie trukdžių šaltinių!
Signalų jungtis sudaro tiekimo ir grąžinimo linijos. Gautas paviršiaus plotas turėtų būti kuo mažesnis!
